زاوية الصلب بار
يمكن أن يتكون الفولاذ الزاوي من مكونات مختلفة تتحمل الضغط وفقًا للاحتياجات المختلفة للهيكل، ويمكن استخدامه أيضًا كموصل بين المكونات.
يستخدم على نطاق واسع في مختلف هياكل البناء والهياكل الهندسية، مثل عوارض المنازل والجسور وأبراج النقل وآلات الرفع والنقل والسفن والأفران الصناعية وأبراج التفاعل ورفوف الحاويات ورفوف المستودعات وما إلى ذلك.
وصف
زاوية الصلب هو الفولاذ الهيكلي الكربوني المستخدم في البناء. إنها مادة فولاذية بسيطة ذات مقطع عرضي. يتم استخدامه بشكل رئيسي للمكونات المعدنية وإطارات بناء المصانع. إنها تتطلب قابلية لحام جيدة وأداء تشوه البلاستيك وقوة ميكانيكية معينة أثناء الاستخدام. إن مادة الخام المستخدمة في إنتاج فولاذ الزاوية هي عبارة عن قطعة فولاذ مربعة منخفضة الكربون، ويتم تسليم فولاذ الزاوية النهائي في حالة مدرفلة على الساخن، أو طبيعية، أو مدلفنة على الساخن.
الملكية والمواصفات
قابلية اللحام جيدة
خصائص تشوه البلاستيك
البعد |
10*10 مللي متر-200*200 مللي متر |
معيار |
GB ASTM، JIS، SUS، DIN، EN إلخ |
مادة |
سلسلة Q195-Q420 |
تقنية |
المدرفلة على الساخن |
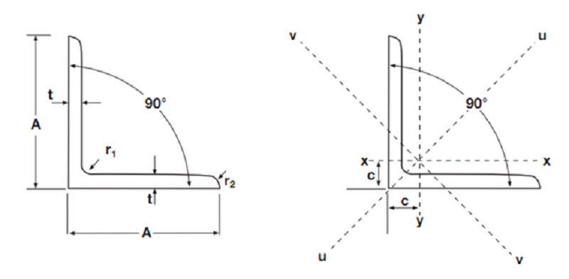
يتم التعبير عن مواصفات الفولاذ الزاوي شائعة الاستخدام بالملليمتر مع عرض الجانب × عرض الجانب × سمك الجانب، مثل "∟30×30×3"، وهو ما يعني زاوية فولاذية متساوية الأضلاع بعرض جانبي 30 مم وسمك جانبي 3 مم.
وهي مقسمة بشكل أساسي إلى نوعين: فولاذ زاوية متساوي الأضلاع وفولاذ زاوية غير متساوي. من بينها، يمكن تقسيم الفولاذ ذو الزاوية غير المتساوية إلى نوعين: جوانب غير متساوية وسمك متساوي، وجوانب غير متساوية وسمك غير متساوي.
يتم التعبير عن مواصفات زاوية الفولاذ بأبعاد طول الجانب وسمك الجانب. في الوقت الحاضر، تتراوح مواصفات زاوية الفولاذ المحلية من 2 إلى 20، مع كون عدد السنتيمترات من طول الجانب هو الرقم. غالبًا ما يكون للفولاذ ذو الزاوية نفسها 2 إلى 7 سماكات جانبية مختلفة.
بشكل عام، تلك التي يبلغ طول جانبها 1-2.5 سم أو أكثر هي فولاذ ذو زاوية كبيرة، وتلك التي يبلغ طول جانبها 1-2.5 سم-5 سم هي فولاذ زاوية متوسط الحجم، وتلك التي يبلغ طول جانبها أقل من 5 سم. هي فولاذ ذو زاوية صغيرة.
ينقسم طول التسليم للزاوية الفولاذية إلى نوعين: الطول الثابت والطول المزدوج. يتراوح نطاق اختيار الطول الثابت للفولاذ ذو الزاوية المحلية من 3 إلى 9 أمتار حسب رقم المواصفات.
أربعة نطاقات: 4-12 م، 4-19 م، 6-19 م.
يتم حساب ارتفاع المقطع العرضي للفولاذ غير المتساوي الزاوية وفقًا لعرض الجانب الطويل للفولاذ غير المتساوي الزاوية.
التعبئة والتسليم




